N907050
※カートのない商品、またはカートをご利用にならない場合のご注文方法につきましてはご注文の流れをご覧になって下さい。
※商品の価格及び在庫状況は変動する可能性があります。
※表示価格には送料が含まれておりません。
※発送は基本的に佐川便、小型・軽量のものであればクリックポストまたはレターパックを予定しております。
※お支払い方法は銀行振込、または代引からお選び下さい。
※詳しくはご購入についてをご覧になって下さい。
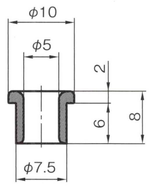
| 製造 | 湯浅糸道工業 |
|---|---|
| 型番 | N907050 |
| 名称 | アイレットガイド [EYELET GUIDE] |
| 材質 | YM-85C ※セラミック材質について |
| 重量 | 0.84g |
| 納期 | お問合せ下さい |
| 価格 | 見積いたします |
| 備考 | 画像をクリックすると寸法図が拡大します 価格は数量により変動します |
この商品について問い合わせる



